用伏安法间接测定某种金属导体的电阻率;练习使用螺旋测微器。
实验原理:
根据电阻定律公式R=
实验器材:
被测金属导线,直流电源(4V),电流表(0-0.6A),电压表(0-3V),滑动变阻器(50Ω),电键,导线若干,螺旋测微器,米尺。
实验步骤:
1、用螺旋测微器在被测金属导线上的三个不同位置各测一次直径,求出其平均值d,计算出导线的横截面积S。
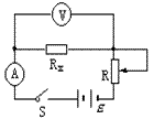
2、按如图所示的原理电路图连接好用伏安法测电阻的实验电路。

3、用毫米刻度尺测量接入电路中的被测金属导线的有效长度,反复测量3次,求出其平均值l。
4、把滑动变阻器的滑动片调节到使接入电路中的电阻值最大的位置,电路经检查确认无误后,闭合电键S。改变滑动变阻器滑动片的位置,读出几组相应的电流表、电压表的示数I和U的值,断开电键S,求出导线电阻R的平均值。
5、将测得的R、l、d值,代入电阻率计算公式
6、拆去实验线路,整理好实验器材。
注意事项:
1、测量被测金属导线的有效长度,是指测量待测导线接入电路的两个端点之间的长度,亦即电压表两并入点间的部分待测导线长度,测量时应将导线拉直。
2、本实验中被测金属导线的电阻值较小,因此实验电路必须采用电流表外接法。
3、实验连线时,应先从电源的正极出发,依次将电源、电键、电流表、待测金属导线、滑动变阻器连成主干线路(闭合电路),然后再把电压表并联在待测金属导线的两端。
4、闭合电键S之前,一定要使滑动变阻器的滑动片处在有效电阻值最大的位置。
5、在用伏安法测电阻时,通过待测导线的电流强度I的值不宜过大(电流表用0~0.6A量程),通电时间不宜过长,以免金属导线的温度明显升高,造成其电阻率在实验过程中逐渐增大。
本文来自:逍遥右脑记忆 http://www.jiyifa.net/gaozhong/288226.html
相关阅读:高中物理复习之力学学习需注意的知识点



